

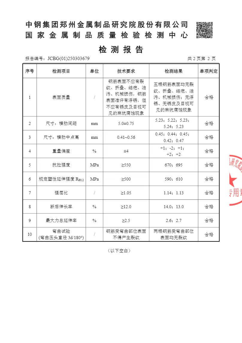
新聞資訊近日,成都成港金屬制品有限公司在產品質量管控方面迎來重大喜訊。公司自主送檢至中鋼集團國家金屬制品質量檢驗檢測中心的冷軋帶肋鋼筋,經嚴格檢測,各項指標全部合格,這一成果充分彰顯了成港金屬卓越的產品品質與強大的生產制造實力。
中鋼集團國家金屬制品質量檢驗檢測中心作為國內鋼鐵行業的權威機構,具備先進的檢測設備和專業的技術團隊,擁有CMA、CNAS、ilac-MRA三重國際權威認證背書,其檢測標準嚴苛、流程嚴謹,在行業內具有極高的公信力。此次送檢產品涵蓋了成港金屬CRB550、CRB800兩個規格的冷軋帶肋鋼筋,從材料性能到尺寸精度,從表面質量到工藝參數,均接受了全方位、細致入微的檢測評估。
一直以來,成港金屬高度重視產品質量,將其視為企業發展的生命線。公司不斷加大在生產設備、技術研發與質量管控體系建設方面的投入,引入先進的冷軋帶肋生產工藝,從原材料采購源頭把關,嚴格控制生產過程中的每一道工序,確保產品質量穩定可靠。此次產品在中鋼集團檢測中全部合格,正是公司長期堅守品質戰略的有力證明。
這一佳績的取得,不僅贏得了市場認可,更增強了客戶對我們產品的信心。未來,成港金屬將以此為新起點,持續深耕冷軋帶肋金屬領域,不斷優化產品性能、提升產品質量,為建筑、制造等行業提供更優質、更可靠的冷軋帶肋金屬產品,助力行業高質量發展。





